您好,
欢迎访问
无人机网(www.youuav.com)
!
帐号管理
收藏夹
退出
消息
0
请登录
免费注册
手机关注
微信号:youuav
关注官方微信
m.youuav.com
手机扫码看新闻
我的办公室
销售
发布产品
管理产品
求购
发布求购
管理求购
添加收藏
关于我们
广告服务
广告服务
关键词排名
会员升级
帮助中心
常见问题
买家帮助
卖家帮助
问题反馈
网站导航
资讯
企业
产品
品牌
采购
展会
视频
专题
杂志
资讯
资讯
企业
产品
品牌
采购
展会
视频
专题
杂志
搜索
发布询价单
全部产品分类
无人机整机
载人无人机
教育编程无人机
太阳能无人机
消费级无人机
航拍无人机
穿越机
遥控航模
行业应用无人机
巡检无人机
农业植保无人机
影视摄影无人机
测绘勘探无人机
灭火消防无人机
应急救援无人机
警用安防无人机
物流运输无人机
油电混合无人机
飞行平台
系留无人机
氢燃料电池无人机
水质空气检测无人机
气象无人机
军用无人机
战斗无人机
侦查无人机
诱饵无人机
电子对抗无人机
靶机
通信中继无人机
其他
无人机整机
无人机配件
飞控
云台
电池
电机
发动机
电调
螺旋桨
遥控器
有效载荷
机架
综合保障
飞行眼镜
图传数传
地面站
定位模块
成像系统
激光雷达
应用软件
喊话器
充电器
抛投设备
探照灯
热成像仪
其他配套产品
无人机配件
无人机服务
无人机保险
环保监控
河道巡检
无人机编队
培训服务
植保服务
数据加工
航拍摄影
电力拉线
电力巡检
广告影视
测绘服务
其他服务
无人机服务
设备与工具
制造设备
测量设备
航拍设备
其他设备与工具
设备与工具
反无人机
无人机解决方案
测绘解决方案
警用解决方案
消防解决方案
反无人机解决方案
应急救援解决方案
物流运输解决方案
无人机解决方案
无人机其他
杂志
贸易和代理商
社团
物流
协会
其他
无人机其他
水下无人机(潜航器)
消费级产品
企业级产品
教育科研产品
水下无人机配件
水下无人机(潜航器)
无人船
环境监测
海洋调查
安防救援
无人航运
无人船配件
无人船
首页
资讯
企业
产品
品牌
采购
展会
视频
专题
杂志
地图
综合资讯
国内资讯
国际资讯
特种动态
应用领域
科技探索
新品发布
企业动态
无人系统
展会动态
UAV评测
市场分析
百科知识
人物访谈
组织协会
政策法律
教育培训
航拍图库
保险
DIY
赛事活动
排行榜
反无人机
低空经济
您的位置:
首页
>
资讯
>
企业动态
> 正文
收藏
打印
扫码手机看
分享
无人机网(www.youuav.com)企业动态
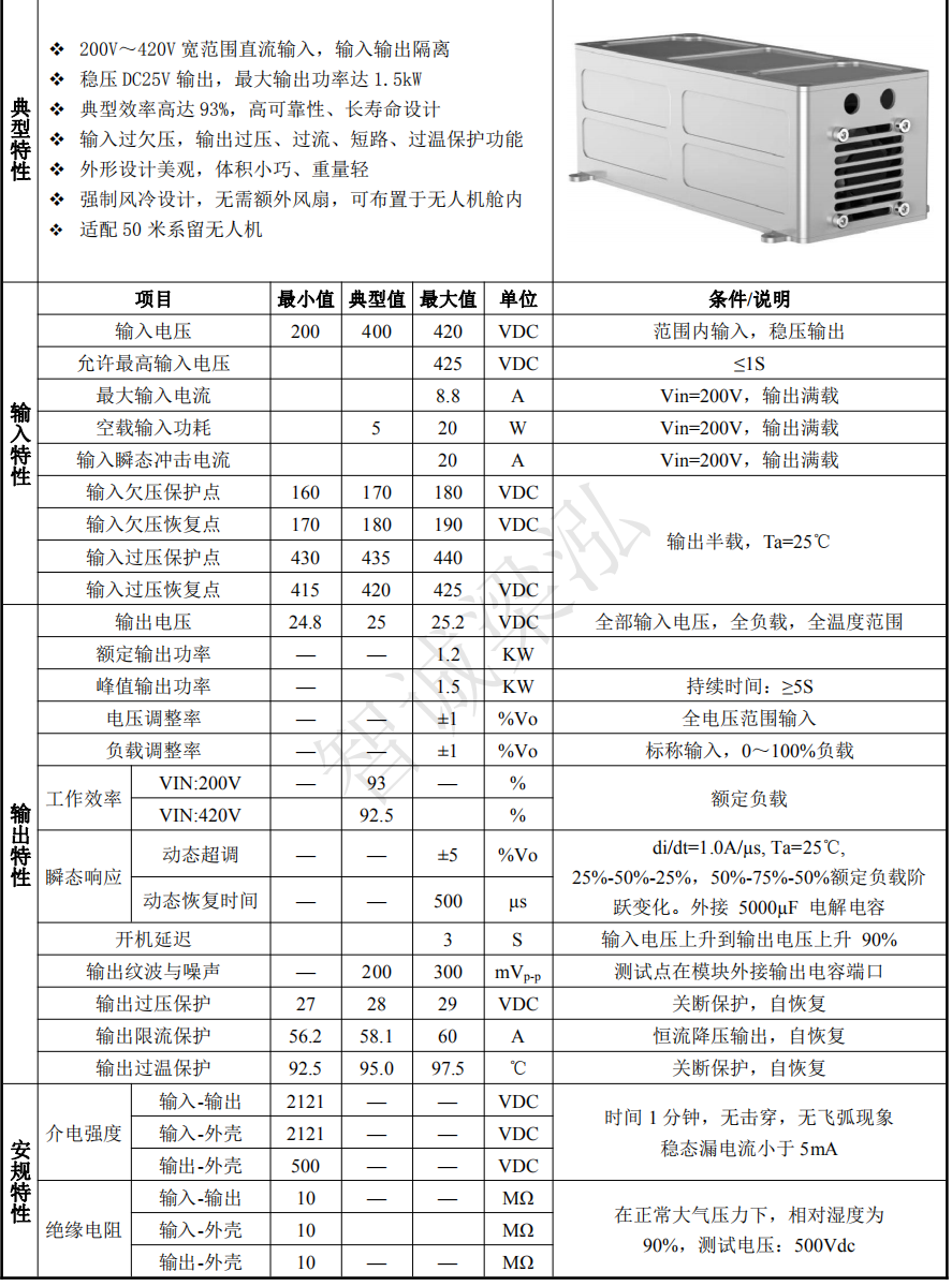
1.2KW系留无人机机载电源,最大功率1.5KW
2022-12-16 11:00
性质:转载
作者:上海梁泓科技
来源:上海梁泓科技
免责声明:
无人机网(www.youuav.com)尊重合法版权,反对侵权盗版。(凡是我网所转载之文章,文中所有文字内容和图片视频之知识产权均系原作者和机构所有。文章内容观点,与本网无关。如有需要删除,敬请来电商榷!)
分享到:
相关资讯
更多>>
辽宁省林业和草原局党组书记、局长张晓伟莅临无距科技调研指导
众多媒体聚焦!驼峰吨级广域重油重载无人机全球首发获广泛关注
人民日报头版聚焦广东科技创新,中科云图作为省科学院孵化典范获重点报道
德国电器工程协会:工业人工智能正在为自动化提供了巨大的效率提升潜力
美国1.5亿美元支持Zipline扩展非洲无人机医疗网络
2025亚洲通航展圆满收官!零重力重磅成果一图盘点
邀请函|普宙科技邀您共赴2025数智科技生态大会
新机遇、新技术、新生态!大漠大邀您共赴首届中国低空融媒大会
云圣智能创新实践入选工信部低空产业联盟《低空装备典型应用场景与应用案例》
沃兰特VE25-100天行荣登《财富》中国最佳设计榜
热点资讯
1
登陆央视 | 我国新一代太空感知星座发布,太空“星眼”为卫星运行保驾护航
2
乘势低空经济东风,天晴空天科技三签动力巨头,铸就大型干线运输无人机新标杆
3
飞鹏动态 | 云品出山 + 低空联运!时代飞鹏助力云南首个高原特色农产品低空多式联运试点成功启动
4
2025 LPS上海国际高端房产盛会携手官方合作伙伴千机科技荣耀启幕!
5
2025亚洲通航展圆满收官 l 历正科技以创新产品引领低空安防新时代
6
普宙科技被授予中国AOPA无人机防控技术分会“副会长单位”
7
零重力携全系产品亮相2025亚洲通航展,ZG-T6全球首发
8
普宙科技出席世界物联网大会并发表演讲
9
零重力飞机工业战略投资祥源通航,构筑低空经济全链条生态闭环
10
2025亚洲通航展圆满收官!零重力重磅成果一图盘点
推荐图文
斗山(Mobility Innovation)与 Vicor合作。实现商用氢燃料电池无人机
无人机模仿昆虫飞行来解决复杂的飞行任务
《新品》Skyfish推出新型自主商用无人机平台,也可搭载Sony Alpha相机
未来出行新方式!VTOL无人驾驶飞机来临
亿航的客运无人机迈出了城市空中交通的关键一步
日本“飞龙”无人机在室内自由演练
2025年无人机市场价值458亿美元复合年增长率15.5%
租赁无人机,1天100元,首月免费用!夜间照明系统施工、抢险、应急救援利器!
无人机领域的滴滴终于来了——城市长老招募中
XAAC 2020|极飞科技年度大会公众报名通道上线啦!
最新资讯
更多>>
辽宁省林业和草原局党组书记、局长张晓伟莅临无距科技调研指导
众多媒体聚焦!驼峰吨级广域重油重载无人机全球首发获广泛关注
人民日报头版聚焦广东科技创新,中科云图作为省科学院孵化典范获重点报道
德国电器工程协会:工业人工智能正在为自动化提供了巨大的效率提升潜力
美国1.5亿美元支持Zipline扩展非洲无人机医疗网络
2025亚洲通航展圆满收官!零重力重磅成果一图盘点
邀请函|普宙科技邀您共赴2025数智科技生态大会
新机遇、新技术、新生态!大漠大邀您共赴首届中国低空融媒大会
云圣智能创新实践入选工信部低空产业联盟《低空装备典型应用场景与应用案例》
关注官方微信
手机扫码看新闻