发布询价单
您的位置:首页 > 产品 > 无人机配件 > 产品详情

IMS.700 Drive LN

IMS.700 Drive LN

VIP商家

热门推荐

产品详情

产品参数

产品图片

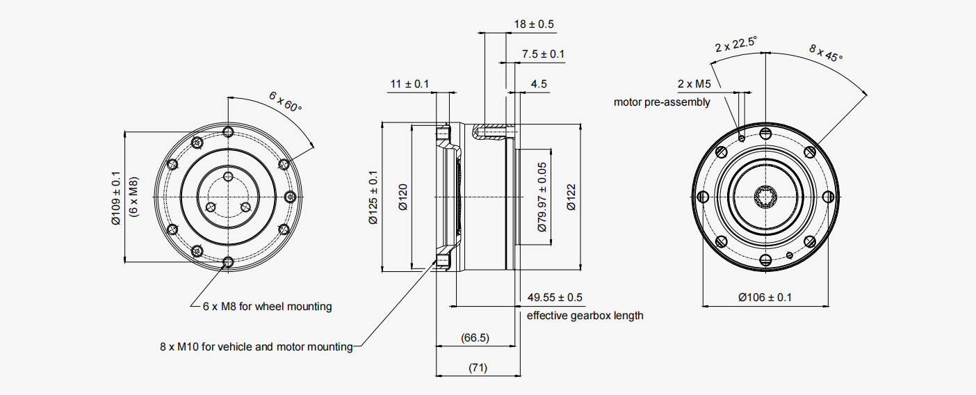
我们的 Drive 系列行星齿轮专为满足车轮驱动的特殊要求而定制。由于其斜齿轮传动装置,它还满足了对低噪音性能的更高要求。 紧凑的总长度 没有空间?没关系!我们的 Drive 系列的紧凑设计使之成为可能。 使用寿命长 持久可靠:信守承诺的行星齿轮。 最大功率密度 空间小,性能好 - 对于我们的 Drive 系列来说,这并不矛盾。 温度 也非常适合 -30° 至 +60°C 的苛刻温度范围。 低噪声 (LN) 由于在第一级中使用了斜齿轮传动装置,噪音特别低。