发布询价单
您的位置:首页 > 产品 > 无人机配件 > 产品详情

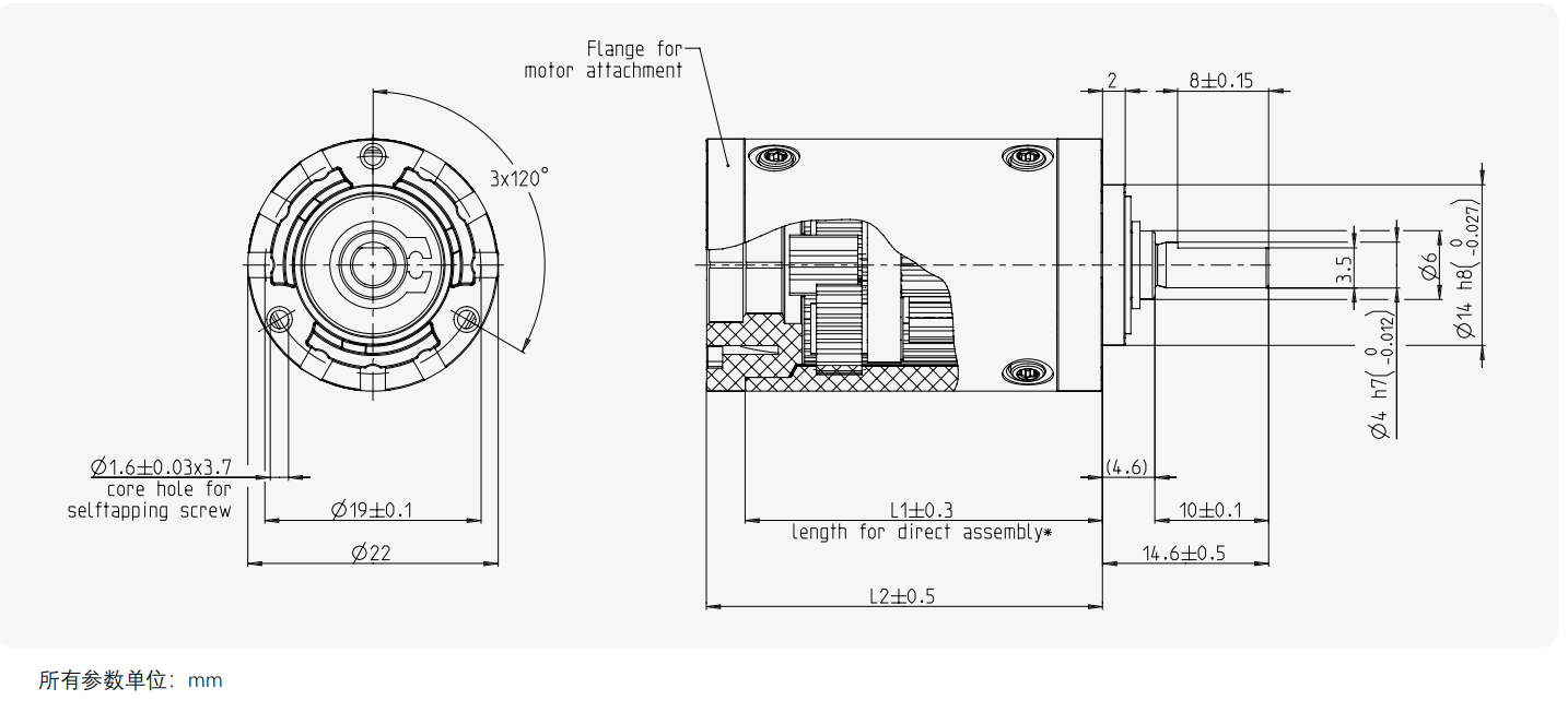
IMS.22 Eco MAX

IMS.22 Eco MAX

VIP商家

热门推荐

产品详情

产品参数

产品图片

我们的 Eco 系列塑料行星齿轮外径为 22 mm,将效率与经济性相结合。在径向螺纹或焊接的 MAX 版本中,它代表着在较小的安装空间下提高性能。 经济 模块化系统,优化的材料组合:即使是小批量的经济解决方案 温度 也非常适合 -15° 至 +65°C 的苛刻温度范围。