发布询价单
您的位置:首页 > 产品 > 无人机配件 > 产品详情

IMS.28 Eco MAX LN

IMS.28 Eco MAX LN
IMS.28 Eco MAX LN

VIP商家

热门推荐

产品详情

产品参数

产品图片

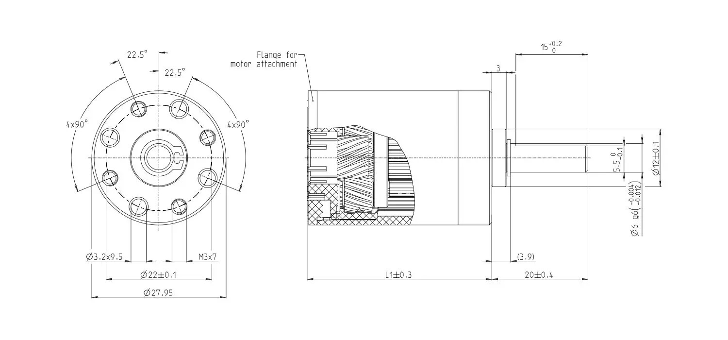
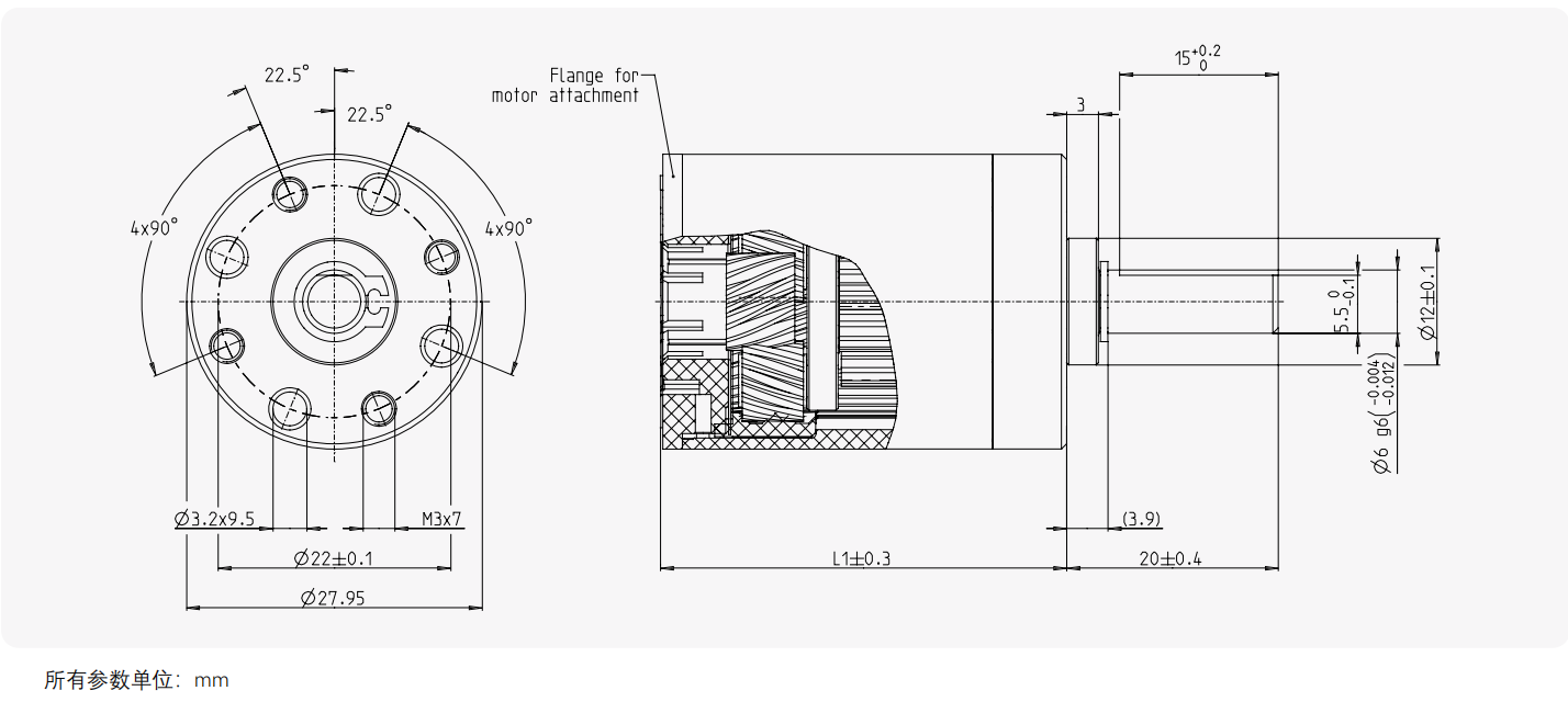
我们的 Eco 系列塑料行星齿轮外径为 28 mm,将效率与经济性相结合。在焊接 MAX 版本中,它代表着以更少的安装空间提高性能;此外,它还满足了对低噪声性能的更高要求 低噪声 (LN) 由于在第一级中使用了斜齿轮传动装置,噪音特别低。 经济 模块化系统,优化的材料组合:即使是小批量的经济解决方案 温度 也非常适合 -15° 至 +65°C 的苛刻温度范围