| PH4114 系列 | |||||||||||||
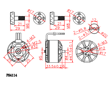
| 马达外径:---------- | Φ47.5mm×33.5mm | 硅钢尺寸:------------------ | Φ41x14mm | ||||||||||
| 硅钢结构:---------- | 24N28P | 重量:---------------------- | 187g | ||||||||||
| 型号 | KV值 |
空载 电流 (14.8V) |
负载浆叶 |
测试电压 (V) (全油门) |
工作 电流 (A) |
负载 转速 (RPM) |
拉力 (g) |
输出 功率 (W) |
力效 (g/w) |
内阻 (Ω) |
最大 电流 (持续) |
最大 电压 (锂电) |
最大 功率 (持 续) |
| 9T | 330 | 1.2A | 15*5/CF | 14.8 | 6.7 | 4460 | 1000 | 99 | 10.08 | 0.117 | 30A | 3-6S | 650W |
| 16.8 | 8.1 | 4965 | 1259 | 136 | 9.25 | ||||||||
| 18.5 | 9.3 | 5385 | 1473 | 172 | 8.56 | ||||||||
| 21 | 11.3 | 5980 | 1810 | 237 | 7.63 | ||||||||
| 22.2 | 12.2 | 6255 | 2019 | 271 | 7.45 | ||||||||
| 25.2 | 15 | 6930 | 2482 | 378 | 6.57 | ||||||||
| 17*5.8/CF | 14.8 | 10.1 | 4180 | 1425 | 149 | 9.53 | |||||||
| 16.8 | 12.3 | 4630 | 1750 | 207 | 8.47 | ||||||||
| 18.5 | 14.1 | 5000 | 2054 | 261 | 7.87 | ||||||||
| 21 | 17 | 5510 | 2504 | 357 | 7.01 | ||||||||
| 22.2 | 18.5 | 5754 | 2809 | 411 | 6.84 | ||||||||
| 25.2 | 22.6 | 6285 | 3385 | 570 | 5.94 | ||||||||
| 16*6/CF | 14.8 | 10.2 | 4185 | 1390 | 151 | 9.21 | |||||||
| 16.8 | 12.4 | 4640 | 1740 | 208 | 8.35 | ||||||||
| 18.5 | 14.2 | 5000 | 2040 | 263 | 7.77 | ||||||||
| 21 | 17.2 | 5520 | 2490 | 361 | 6.89 | ||||||||
| 22.2 | 18.7 | 5755 | 2710 | 415 | 6.53 | ||||||||
| 25.2 | 22.4 | 6315 | 3280 | 564 | 5.81 | ||||||||
| 7T | 420 | 1.6A | 15*5/CF | 14.8 | 12 | 5390 | 1476 | 178 | 8.31 | 0.085 | 34A | 3-6S | 740W |
| 16.8 | 14.6 | 5975 | 1819 | 245 | 7.42 | ||||||||
| 18.5 | 16.8 | 6450 | 2147 | 311 | 6.91 | ||||||||
| 21 | 20.3 | 7120 | 2618 | 426 | 6.14 | ||||||||
| 22.2 | 22 | 7425 | 2883 | 488 | 5.90 | ||||||||
| 25.2 | 26.5 | 8160 | 3508 | 668 | 5.25 | ||||||||
| 16*6/CF | 14.8 | 18 | 4955 | 1959 | 266 | 7.35 | |||||||
| 16.8 | 21.5 | 5455 | 2373 | 361 | 6.57 | ||||||||
| 18.5 | 24.7 | 5845 | 2760 | 457 | 6.04 | ||||||||
| 21 | 29.5 | 6375 | 3300 | 620 | 5.33 | ||||||||
| 22.2 | 31.8 | 6590 | 3550 | 706 | 5.03 | ||||||||
| 25.2 | 38.1 | 7125 | 4217 | 960 | 4.39 | ||||||||
